
Verzinktes Sicherungsblech mit 2 Lappen zur Sicherung von Schrauben und Muttern.
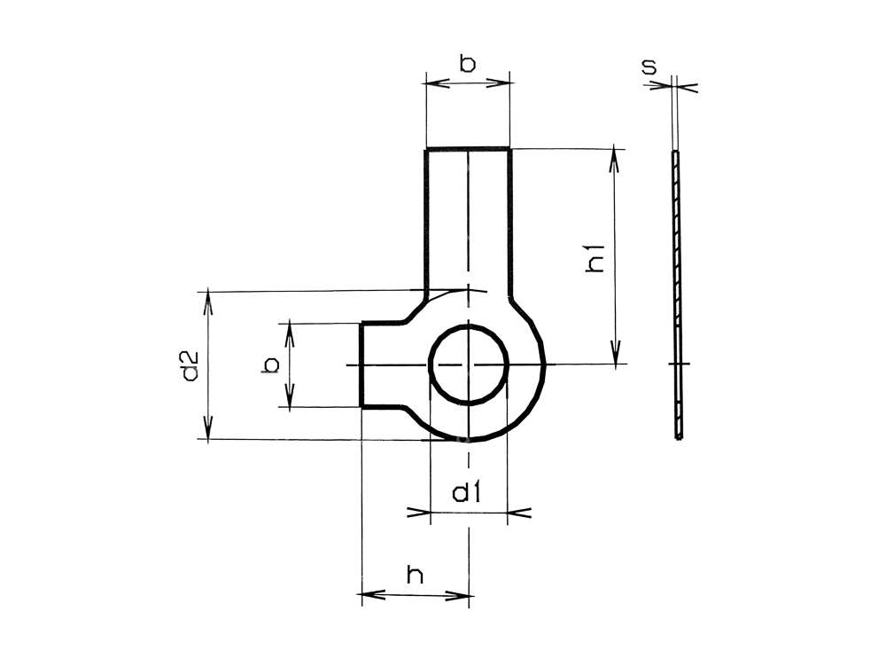
Entnehme die folgenden Masse auf Abbildung 2:
| Material | Stahl |
| Oberfläche | verzinkt (blau) |
| Ø innen | 10.5 mm |
| Gesamtlänge | 13 mm |
| Anzahl Lappen | 2 Stk. |
| Ø aussen | 21 mm |
| Breite | 10 mm |
| Dicke | 0.75 mm |
| Gewindegrösse | M10 |
| Länge 2 | 22 mm |
| Breite 2 | 10 mm |
Entdecke Kategorien aus Schrauben & Verbindungselemente Sets
Mofa-Fans kauften auch
BERU Zündkerzenstecker / 1 kΩ entstört
Hersteller: BERU · Material: Blech (Stahl) · Farbe: silber · Kerzensteckeraufnahme: M4 · Kabel vorhanden: Nein · Entstört: Ja · Widerstand: 1000 Ω · Subkategorie: Zündkerzenstecker · Ø Kabel: 5 mm · Ø Kabel: 7 mm · Pony OEM-Nr.: A2099 · Sachs OEM-Nr.: 0265 100 00
EUR 10.50
EUR 9.40
swiing® revival Getriebedeckeldichtung | Sachs 503 AAL, ABL, AB, AC, ADV, 2AL, 2BL (A1888)
Hersteller: swiing® revival parts · Material: Dichtpapier · Farbe: sandfarben · Breite: 130 mm · Dicke: 0.35 mm · Anzahl Bestandteile: 1 Stk. · Gesamtlänge: 200 mm · Anzahl Befestigungspunkte: 6 Stk. · Pony OEM-Nr.: A1888 · Sachs OEM-Nr.: 0250 150 000
EUR 6.45
swiing® revival Ritzelbefestigung M12x1 (Mutter & Federscheibe) | Sachs / Hercules
Hersteller: swiing® revival parts · Material: Stahl · Oberfläche: brüniert · Oberfläche: verzinkt (blau) · Mutternart: Sechskantmutter 0.5D · Antrieb: Aussensechskant · Festigkeitsklasse: 8 · Gewindeart: MF12x1 (Feingewinde) · Höhe: 5 mm · Pony OEM-Nr.: A1720 · Pony OEM-Nr.: A4249 · Sachs OEM-Nr.: 0242 124 000 · Sachs OEM-Nr.: 0244 189 110
EUR 4.65



