
Galvanized lock washer with 1 tab for securing nuts and bolts.
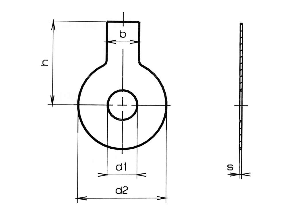
Take the following measurements from figure 2:
| Material | Steel |
| Surface | galvanized (blue) |
| Ø inside | 5.3 mm |
| Ø outside | 19 mm |
| Number of lobes | 1 pcs |
| Total length | 17 mm |
| Width | 6 mm |
| Thickness | 0.5 mm |
| Thread size | M5 |
Explore categories from Screws & fastener sets
Moped fans also bought
swiing® revival bottom bracket bushing nylon | Puch Maxi, X30 Sport, Velux, NG-2AH
Manufacturer: swiing® revival parts · Ø Bundle: 24.1 mm · Material: Nylon · Surface: blank · Color: black · Bearing type: Plain bearing · Ø inside: 16.2 mm · Ø outside: 20.2 mm · Total length: 19 mm · Puch OEM number: 349.1.42.005.1
EUR 3.00
swiing® revival 12 mm carburetor "Original" | Puch
Nominal diameter: 12 mm · Manufacturer: swiing® revival parts · Material: Aluminum · Component group Carburetor: Carburetor complete · Color: gray · Carburetor type: SRE · Total length: 65 mm · Ø fuel hose connection: 6 mm · Width: 50 mm · Ø Inside entrance: 12 mm · Ø Internal connection: 20 mm · Ø Output inside: 12 mm · Height: 108 mm · Ø Air filter connection: 20 mm · Mixed oil connection: No · Mounting type: Plug connection clamped · Vacuum connection: No · Choke control: Hand choke · Nozzle thread: M3.5x0.6 (standard thread) · Nozzle block: 2.15 · Camouflaged: No · Nozzle size: 52 · Clamping screw torque (max.): 4 N/m · Area of application: Standard · Puch OEM number: 349.6.15.400.0 · Puch OEM number: 349.7.15.700.0
EUR 83.30
GPO 12 mm intake manifold Puch X30 NG-2AH
Ø inside: 12 mm · Manufacturer: GPO · Material: Aluminum · Total length: 53 mm · Mounting type: Screws · Hole spacing inlet: 32 - 38 mm · Total height: 63 mm · Height flange center hole: 52.5 mm · Ø External connection: 20 mm · Number of fixing points: 2 pcs · Camouflaged: No · Area of application: Original
EUR 47.50




